


浓相上引式仓泵 --技术咨询:189 7586 1596
n 产品概述
JT.S上引式仓泵,是利用气力压差原理结合流化技术,对泵内粉体进行沸腾均化,并以泵顶出料的方式进行输送的浓相设备。常用于输送水泥、生料、粉煤灰等粉状物料,在水泥、冶金、电力等行业得到了很好的应用。
n 结构特点
JT.S上引式仓泵,结合国内外先进的输送技术,不断优化泵体结构形式和泵内流化效果。通过对伞形流化盘的重新设计,将单层气化板(布)改为多层涡流沸腾式气化,使泵内粉体流化更加均匀,输送更为稳定。相比其他输送系统具备更高浓度、更低流速等特点。
n 输送原理
JT.S上引式仓泵,整个输送大至分为三个过程,泵体进料、流化输送、吹扫清管。在首次输送时,开启直拉式排气阀。排空泵内余气后打开进料阀,以料位优先时间滞后的模式感应料满后关闭进料阀与排气阀,等待输送。在符合输送条件的情况下,压缩空气进入底部流化盘后变为多层涡流沸腾式气浮,对泵内粉体充分流化并加以输送。待泵压降至空泵运行压力时,根据输送管道长短再延时吹扫以清空管内余粉。终端料仓通过除尘装置使料气分离后,将洁净的空气排入大气。
n 应用范围
JT.S上引式仓泵,适应于安装空间狭小,地面不易铺设管道、或多泵并管输送等工况。输送当量距离≤1500m,垂直高度≤50m,堆比重≤7.0t/m3,粉体细度≤5mm,含水率≤3%(以抓紧后松手,自由落体时不成团为基准),粉体瞬时温度≤200℃。(以上数据匀取设备极限仅作为选型参考)
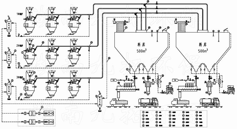
n 输送工艺
上引式仓泵工艺一:

上引式仓泵工艺二:
n 仓泵外形图

n 泵体安装尺寸
n 上引式泵参数表

n 上引式仓泵工程案例


