


浓相下引式仓泵 --技术咨询:189 7586 1596
n 产品概述
JT.X下引式仓泵,是利用气力压差原理、高频射流技术和旋喷流化三者相结合的新型浓相气力输送泵,也常被称为超浓相气力输送泵。
n 结构特点
JT.X下引式仓泵,具有灰气比高、出力大、低流速、磨损小等优点,是解决输送高磨损、大出力、密相输送磨损性大的物料(例如锅炉飞灰)的理想方案。
n 输送原理
JT.X下引式仓泵,系统运行时开启直拉式排气阀,以排空泵内余气后打开进料阀,以料位优先时间滞后的方式关闭进料阀与排气阀,等待输送。系统检测符合输送条件后,PLC自动打开喷射阀,气流从三处喷出对粉体进行流化并推入输送管道。根据输送距离远近,可以通过三处手动球阀对管内输送浓度进行调节,近距离输送时,将浓度调至高以节省气量。待泵压降至空泵运行压力后,根据输送管长短再延时吹扫清空管内余粉。终端料仓通过除尘装置形成料气分离,将洁净空气排入大气。
n 应用范围
JT.X下引式仓泵,适应产量较大、距离较远,比重较大,颗粒较大的粉体,可实现多泵串联或并联共管输送等工况。输送当量距离≤1500m,垂直高度≤50m,堆比重≤7.0t/m3,粉体细度≤5mm,含水率≤3%(以抓紧后松手,自由落体时不成团为基准),粉体瞬时温度≤200℃。(以上数据匀取设备极限仅作为选型参考)
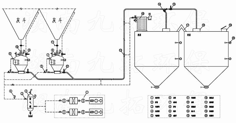
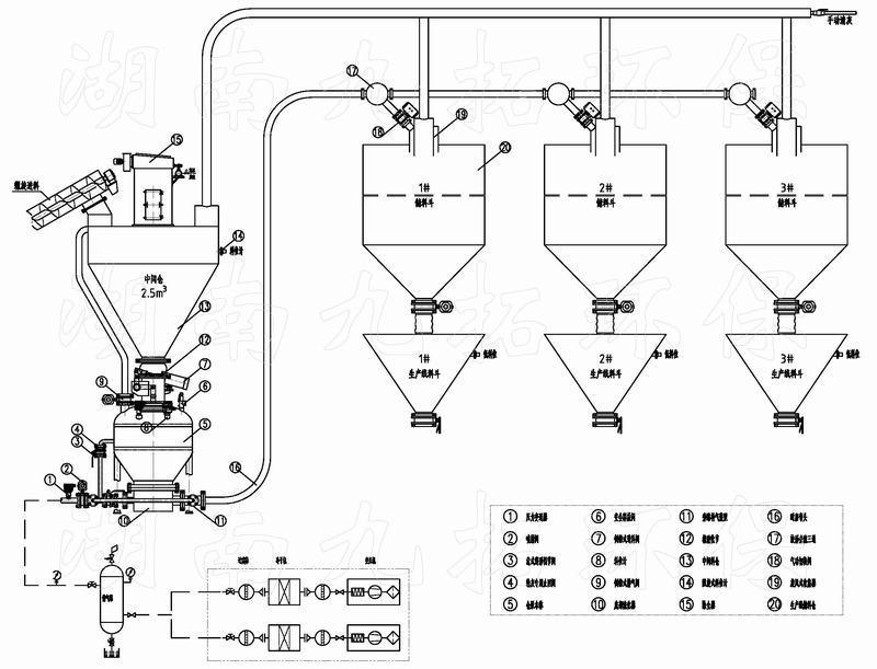
n 输送工艺
多点循环加料工艺一:

多点循环加料工艺二:

n 仓泵外形图

n 泵体安装尺寸

n 下引式泵参数表

n 下引式仓泵工程案例

